Global Family Network Update 2011
GFN Update – January 26, 2011
From John and Sue Bartels in Grenada
Table of Contents:
GFN Programming Receives Praise!
Broadcast Licenses, Permits, and Concession Granted – Ready for Funding!
GYC Conference
Sarah’s Dream
The Gospel in a Nutshell
How to Donate
Contact Information
GFN Programming Receives Praise!
While talking with a customs broker last week I asked, “Do you ever listen to 91.3FM?†He replied, “I listen all the time especially when I am driving.†We continue to hear positive reports from listeners around Grenada as well as during our live call in programs.
One lady called in and said, “I am so pleased with your programming. I listen all the time. I love the family show, the sermons, and I even listen to the children’s stories. I just wanted to tell you how much of a blessing this has been to me and keep up the good work.â€
God is blessing many in Grenada through GFN radio. You can listen on line as well. http://www.globalfamilynetwork.net/site/radio/
Broadcast Licenses, Permits, and Concession Granted – We are Ready for Funding!
The Stage is Set! We have our broadcast licenses for TV, we have our permits for construction of the studio, we have the initial broadcast system design, portable studio design and expanded broadcast designs are all done (enabling broadcast coverage of the whole island), we have submitted our equipment list to the government and they have granted us concession from 95% of the duty on the equipment. All we need now is funding! Do you believe God will provide?
This project will reach the English speaking world via over the air broadcasts, internet, satellite and cable. Would you like to play a part in making this vision a reality?
Please let us know as this is the ideal time for construction and installation of transmitters and antennas. It is the beginning of the “Dry Season†in Grenada which makes it the perfect time for construction and four-wheeling up steep mountains to get to transmitter sites. The other half of the year is the “Rainy Season†and the rain and mud make things very difficult.
Thank you and may God richly bless your part in this project!
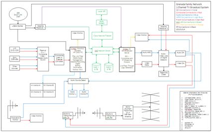
Drawings below:
Drawings one and two are the first and second floor of the TV station and studio.
Drawing three is the radio station and studio
Drawing four is the block diagram of the TV broadcast system




We just returned from the GYC (Generation of Youth for Christ) conference in Baltimore MD and in spite of the colds we were all fighting during our time there we were blessed. Between meetings we handed out a few hundred flyers in hopes of attracting new volunteers to our project. We did have some interest and one person who is already helping us to enhance our visibility on the web via face book and a new volunteer website that we learned about at the conference. If you know anyone who is interested in a volunteer position with GFN please let us know! Our flyer is below.
Early last year our family went through a number of trials. Our kids bikes had been stolen, we were dealing with mold issues in the house we were renting and that was causing real health issues (to name a few). We prayed constantly for God’s intervention and provision as we always do.
During that time God gave Sarah a dream. In her dream God showed her traveling along a road when trials came upon us. Then He showed her traveling along a different road that lead to a new house to live in complete with new bikes. I am thrilled to say that Sarah’s prophetic dream is now a reality! God has given us a different house to rent that has been much better for our health and He just gave our kids new bikes. God is faithful!
My brethren, count it all joy when ye fall into diverse temptations; Knowing this, that the trying of your faith worketh patience. James 1:2, 3
And it shall come to pass afterward, that I will pour out my spirit upon all flesh; and your sons and your daughters shall prophesy, your old men shall dream dreams, your young men shall see visions: Joel 2:28
The Gospel in a Nutshell
I saw the following quote in a church bulletin while we were in the US and had to share it with you:
Righteousness is obedience to the Law. The Law demands righteousness and this the sinner owes to the Law: BUT HE IS INCAPABLE of rendering it. The ONLY way in which he can attain to righteousness is through FAITH. By Faith, he can bring to God the MERITS OF CHRIST and the Lord PLACES the obedience of His Son to the SINNER’S account. Christ’s righteousness is ACCEPTED in the place of man’s failure, and God RECEIVES, PARDONS, JUSTIFIES, the repentant, believing soul, TREATS him as though he were RIGHTEOUS, and loves him as HE LOVES HIS OWN SON. This is how faith is ACCOUNTED RIGHTEOUSENESS: and the pardoned soul goes on from grace to grace, from light to greater light.
See: Titus 3:5-7
With signs all around us of impending food shortages, further economic collapse, and massive disasters taking place more and more often, there is no time like the present to focus intensely on our relationship with Jesus Christ. Only a moment by moment relationship with Him will carry us through the terrible time of trouble just ahead. Those who heed the warning and remain faithful no matter what will spend eternity with Jesus!
See: 1 Thessalonians 5:3-6
How to Donate
Please send your tax deductable donations to:
Gospel Ministries International
PO Box 506
Collegedale TN, 37315
Or donate online at:
http://gospelministry.org/online-donations Please specify Grenada Family Network/Bartels. Thank you.
Please include a separate note stating that your donations are for Grenada Family Network/Bartels.
Or if you don’t need a receipt and would like to specifically help our family make ends meet, please send your donation using www.PayPal.com and our gfn@spiceisle.com email address that identifies our PayPal account.
Use our gfn@spiceisle.com email address to send funds to our PayPal account.
May God bless you richly today!
Sincerely,
John, Sue, Steven and Sarah Bartels
Grenada/Global Family Network
Web: www.globalfamilynetwork.net
********************************************************************
